वानजाउ जोपेई वाल्व कं, लिमिटेड
वानजाउ जोपेई वाल्व कं, लिमिटेड
समाचार

समाचार

हमारा लागत प्रभावी 3-पीस फोर्ज्ड स्टील हाई-प्रेशर बॉल वाल्व एक अच्छा विकल्प क्यों है?

3-पीस फोर्ज्ड स्टील हाई-प्रेशर बॉल वाल्व क्या है?

A 3-टुकड़ा जाली स्टील उच्च दबाव बॉल वाल्वबोल्ट द्वारा जुड़े तीन-टुकड़े बॉडी संरचना के साथ एक उच्च शक्ति वाले बॉल वाल्व को संदर्भित करता है। इसका समापन तत्व एक सटीक रूप से मशीनीकृत गेंद है, जिसे माध्यम के तेजी से शट-ऑफ, वितरण या प्रवाह स्विचिंग को प्राप्त करने के लिए वाल्व स्टेम द्वारा वाल्व बॉडी की केंद्र रेखा के चारों ओर घुमाया जाता है।


उत्पाद वर्णन

3-पीस फोर्ज्ड स्टील बॉल वाल्व संचालित करने में आसान, कॉम्पैक्ट, विश्वसनीय रूप से सीलबंद, संरचना में सरल और बनाए रखने में आसान हैं। सीलिंग सतह और गेंद हमेशा बंद अवस्था में रहती हैं, जिससे उन्हें माध्यम से कटाव का खतरा कम होता है। इनका विभिन्न उद्योगों में व्यापक रूप से उपयोग किया जाता है।

वाल्व बॉडी फोर्जिंग प्रक्रिया का उपयोग करके बनाई जाती है, और सामग्री स्टेनलेस स्टील (जैसे F304, F316) या कार्बन स्टील (जैसे A105) हो सकती है। जाली इस्पात सामग्री में घनी संरचना, उत्कृष्ट यांत्रिक गुण और मजबूत प्रभाव प्रतिरोध जैसी विशेषताएं होती हैं, जो उन्हें उच्च दबाव और उच्च शक्ति वाली कामकाजी परिस्थितियों के लिए विशेष रूप से उपयुक्त बनाती हैं।

पाइपलाइन प्रणाली की जरूरतों के अनुसार, विभिन्न कनेक्शन विधियों का चयन किया जा सकता है, जैसे थ्रेडेड कनेक्शन (एनपीटी, बीएसपी-पी (जी), बीएसपीटी (आरसी)), बट वेल्डिंग (बीडब्ल्यू), सॉकेट वेल्डिंग (एसडब्ल्यू) जी, या फ्लैंज कनेक्शन, जो लचीली स्थापना और मजबूत अनुकूलनशीलता प्रदान करता है।

डिज़ाइन दबाव 1500LB तक पहुंच सकता है, जो इसे पेट्रोलियम, रासायनिक उद्योग और प्राकृतिक गैस जैसे क्षेत्रों में उच्च दबाव परिवहन प्रणालियों के लिए उपयुक्त बनाता है।


3-टुकड़ा जाली स्टील बॉल वाल्व मानक:

1) डिज़ाइन और विनिर्माण मानक: बीएस5351, एमएसएस एसपी-118

2) कनेक्शन अंत आयाम: ANSI B16.10, JB/T1715

सॉकेट वेल्ड अंत आयाम: एएनएसआई बी16.11, जेबी/टी1715

थ्रेडेड अंतिम आयाम: एएनएसआई बी1.12.1, जेबी/टी7306

बट वेल्ड अंत आयाम: एएनएसआई बी16.25, जेबी/टी12224

3) परीक्षण और निरीक्षण: एपीआई 598

4) सामग्री मानक: एएनएसआई/एएसटीएम


3-Piece Forged Steel High-pressure Ball Valve


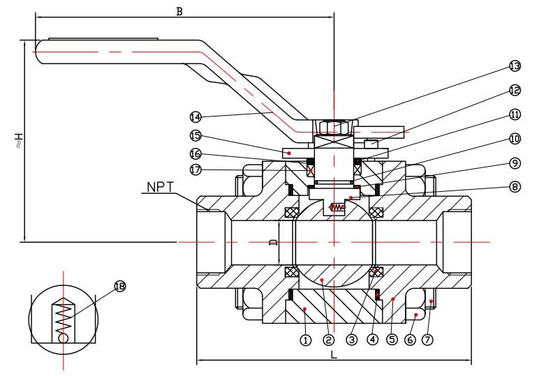
मुख्य सामग्री तालिका:

नहीं। नाम का हिस्सा कार्बन स्टील स्टेनलेस स्टील
1 शरीर ए105 F304 F304L F316 F316L
2 गेंद एसएस304 F304 एसएस304एल एसएस316 एसएस316एल
3 सीट पीटीएफई, आरपीटीएफई
4 पाल बांधने की रस्सी एसएस304/एसएस316 + ग्रेफाइट
5 टोपी ए105 F304 F304L F316 F316L
6 कड़े छिलके वाला फल ए194-2एच ए194-8 ए194-8एम
7 पेंच ए193-बी7 ए193-बी8 ए193-बी8एम
8 तना एसएस304 F304 एसएस304एल एसएस316 एसएस316एल
9 जोर से धोनेवाला पीटीएफई, आरपीटीएफई
10 O-अंगूठी विटॉन
11 ग्रंथि एसएस304 एसएस304 एसएस304 एसएस316 एसएस316
12 पेंच 1035
13 कड़े छिलके वाला फल स्टेनलेस स्टील
14 सँभालना डब्ल्यूसीबी, स्टेनलेस स्टील
15 सीमित प्लेट 1025
16 फायर रिंग को रोकें एसएस304, एसएस316
17 पैकिंग सीसा
18 वसंत एसएस304, एसएस316


मुख्य आयाम तालिका:

डीएन मिमी एनपीएस(इंच) एल मिमी डी मिमी हम्म
15 1/2" 92 13 66
20 3/4" 112 19 72
25 1" 126 24 100
32 11/4” 129 30 105
40 11/2” 152 38 112
50 2" 176 49 122


3-Piece Forged Steel High-pressure Ball Valve3-Piece Forged Steel High-pressure Ball Valve3-Piece Forged Steel High-pressure Ball Valve3-Piece Forged Steel High-pressure Ball Valve



व्यावसायिक विनिर्माण गारंटी - वानजाउ जोपाई वाल्व कंपनी लिमिटेड।

स्टेनलेस स्टील और कार्बन स्टील बॉल वाल्व के अनुसंधान, विकास और निर्माण में विशेषज्ञता वाली कंपनी के रूप में,वानजाउ जोपेई वाल्व कं, लिमिटेडवानजाउ के लोंगवान जिले के बिन्हाई औद्योगिक पार्क में स्थित है, जिसे "चीन के वाल्व सिटी" के रूप में जाना जाता है। कंपनी एक आधुनिक उत्पादन आधार और एक व्यापक गुणवत्ता नियंत्रण प्रणाली का दावा करती है। कंपनी सुसज्जित है:

पेशेवर अनुसंधान एवं विकास केंद्र और सीएनसी मशीनिंग उपकरण

उन्नत परीक्षण उपकरण (जैसे कंप्यूटर बहु-तत्व विश्लेषण उपकरण, लीब कठोरता परीक्षक और मोटाई गेज)

दबाव परीक्षण मशीनें, जीवन चक्र परीक्षण मशीनें, और अन्य पूर्ण-प्रक्रिया परीक्षण प्लेटफ़ॉर्म

कठोर प्रक्रियाओं और निरंतर नवाचार पर भरोसा करते हुए, जोपेई वाल्व यह सुनिश्चित करता है कि प्रत्येक 3पीसी जाली स्टील उच्च दबाव बॉल वाल्व उच्च-मानक प्रदर्शन आवश्यकताओं को पूरा करता है, जो ग्राहकों को सुरक्षित, विश्वसनीय और प्रदान करता है।टिकाऊ वाल्व समाधान.


सम्बंधित खबर
मुझे संदेश दे देना
समाचार अनुशंसाएँ
X
हम आपको बेहतर ब्राउज़िंग अनुभव प्रदान करने, साइट ट्रैफ़िक का विश्लेषण करने और सामग्री को वैयक्तिकृत करने के लिए कुकीज़ का उपयोग करते हैं। इस साइट का उपयोग करके, आप कुकीज़ के हमारे उपयोग से सहमत हैं। गोपनीयता नीति
अस्वीकार करना स्वीकार करना