वानजाउ जोपेई वाल्व कं, लिमिटेड
वानजाउ जोपेई वाल्व कं, लिमिटेड
समाचार

समाचार

हमारे कोण प्रकार के गेंद वाल्व के बारे में अधिक जानें

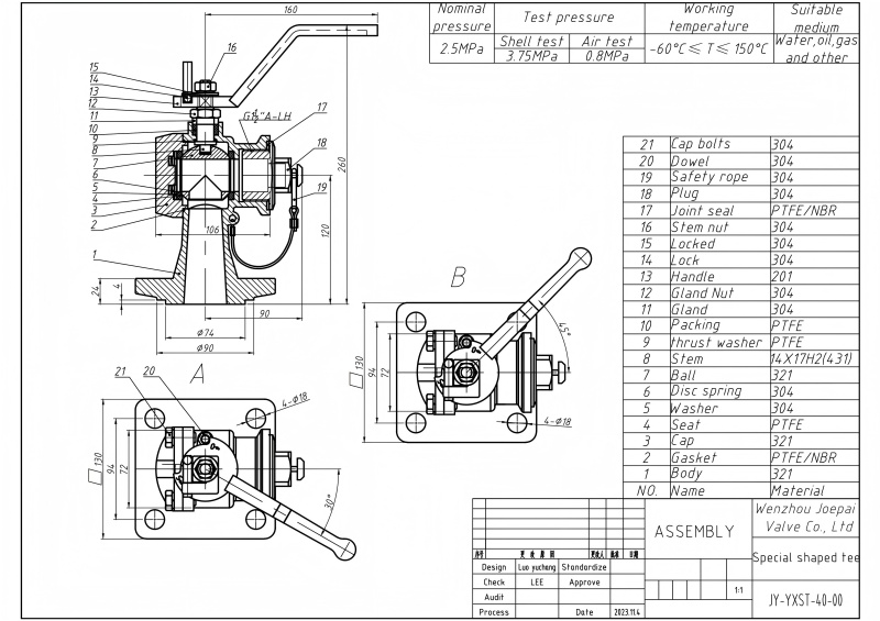
तकनीकी सामग्री (सटीक-अनुकूलित):

तरलीकृत हाइड्रोकार्बन गैस (LPG) टैंक कारों के लिए इंजीनियर, NKSH-U21 श्रृंखला कोण प्रकार पूर्ण-बोरगेंद वाल्वTU 3742-002-11812221-2014 के तहत अनियंत्रित शट-ऑफ प्रदर्शन वितरित करें। 40-वर्षीय डिजाइन जीवन और UKHL1 जलवायु संस्करण के साथ, ये DN40 PN25 वाल्व लोडिंग/अनलोडिंग संचालन के दौरान सुरक्षा सुनिश्चित करते हैं।


विशेषताएँ:

असाइन किए गए सेवा जीवन: 40 वर्ष

यांत्रिक धीरज: 8,000 परिचालन चक्र

विफलता प्रतिरोध:> 1,000 चक्र MTBF

जलवायु प्रमाणन: UKHL1 (रूसी चरम जलवायु मानक)

सीलिंग क्लास: गोस्ट आर 54808-2011 क्लास बी (उद्योग-अग्रणी रिसाव नियंत्रण)

दबाव रेटिंग: PN25 (25 किलोग्राम/सेमी of)

प्रवाह दिशा: द्वि-दिशात्मक

कनेक्शन: RF प्रति GOST मानकों के लिए flanges



घटक सामग्री ग्रेड (GOST):

शरीर: 12x18n9tl/ss321/ss304 संक्षारण प्रतिरोधी कास्ट स्टील

बॉल: 12x18N10T / CF8 AUSTENITIC STAINLESS

STEM: 14х17F2/F304 हाई-स्ट्रेंथ मार्टेंसिटिक

सीट: फ्लोरोप्लास्टिक -4/पीटीएफई रासायनिक जड़ता

सील: फ्लोरोप्लास्टिक -4 + विस्तारित ग्रेफाइट


परिचालन सत्यापन:

ड्राइव प्रकार: मैनुअल लीवर (ST20/09G2S हैंडल)

परीक्षण प्रोटोकॉल: 3.8 एमपीए पर हाइड्रोस्टेटिक परीक्षण


पहले का :

-

सम्बंधित खबर
मुझे संदेश दे देना
X
हम आपको बेहतर ब्राउज़िंग अनुभव प्रदान करने, साइट ट्रैफ़िक का विश्लेषण करने और सामग्री को वैयक्तिकृत करने के लिए कुकीज़ का उपयोग करते हैं। इस साइट का उपयोग करके, आप कुकीज़ के हमारे उपयोग से सहमत हैं। गोपनीयता नीति
अस्वीकार करना स्वीकार करना