वानजाउ जोपेई वाल्व कं, लिमिटेड
वानजाउ जोपेई वाल्व कं, लिमिटेड
समाचार

समाचार

JOEPAI ने नए लागत प्रभावी स्टेनलेस स्टील 304 फायर हाइड्रेंट वाल्व लॉन्च किए - बेहतर संक्षारण प्रतिरोध AS2419.2 मानकों को पूरा करता है

जोपाईअग्नि सुरक्षा बुनियादी ढांचे में अपने नवीनतम नवाचार को पेश करने पर गर्व है:की नई रेंजस्टेनलेस स्टील 304 फायर हाइड्रेंट वाल्व. स्थायित्व, अनुपालन और मूल्य के लिए इंजीनियर किए गए, ये वाल्व प्रदान करते हैंपारंपरिक पीतल मॉडल का बेहतर विकल्प- अधिक प्रतिस्पर्धी मूल्य बिंदु पर उन्नत संक्षारण प्रतिरोध प्रदान करना।

के अनुरूप डिज़ाइन किया गया हैएएस/एनजेडएस 2419.2:2009नए हाइड्रेंट वाल्व विशेष रूप से वाणिज्यिक, औद्योगिक और आवासीय अग्नि प्रणालियों सहित अनुप्रयोगों की एक विस्तृत श्रृंखला के लिए आदर्श हैं।समुद्री और खनन जैसे आक्रामक वातावरण.


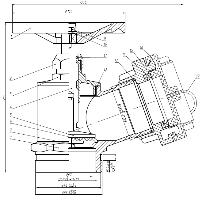
Stainless Steel 304 Fire Hydrant Valves

उत्पाद हाइलाइट्स:

धागे का प्रकार: यूवी प्लास्टिक कैप के साथ एंगल्ड 65 मिमी बीएसपी फोर्ज्ड स्टॉर्ज़ एडाप्टर

इनलेट प्रकार: 80 मिमी रोल ग्रूव्ड

सामग्री ग्रेड: CF8 (SS304) में बॉडी, बोनट, डिस्क, नट; बेहतर मजबूती के लिए SS316 में स्टेम

सील सामग्री: विश्वसनीय रिसावरोधी प्रदर्शन के लिए एनबीआर रबर

हाथ पहिया: टिकाऊ HT200 कच्चा लोहा

खत्म करना: उच्च दृश्यता वाली लाल रंग की कोटिंग

कार्य का दबाव: 1,400 केपीए

हाइड्रोस्टेटिक परीक्षण दबाव: 2,700 केपीए

वायु जकड़न परीक्षण दबाव: 800 केपीए

गारंटी: 12 महीने


तकनीकी अनुपालन:

के लिए डिज़ाइन और परीक्षण किया गयाएएस2419.2-2009

असेंबली के बाद जाम न होने के साथ स्मूथ हैंडव्हील ऑपरेशन

100% निरीक्षण और परीक्षण किया गया - हाइड्रोस्टैटिक और एयर टाइटनेस परीक्षणों के बाद कोई दोष नहीं


पीतल की जगह SS304 क्यों चुनें?

बेहतर संक्षारण प्रतिरोध: कठोर वातावरण के लिए आदर्श जहां पीतल समय के साथ ख़राब हो सकता है

प्रभावी लागत: गुणवत्ता या प्रदर्शन से समझौता किए बिना अधिक किफायती समाधान प्रदान करता है

हल्का फिर भी मजबूत: संरचनात्मक अखंडता को बनाए रखते हुए संभालना और स्थापित करना आसान है


अन्य उपलब्ध कॉन्फ़िगरेशन:

65 मिमी एनएसडब्ल्यू पुरुष x 80 मिमी रोल ग्रूव्ड

65 मिमी सीएफए पुरुष x 80 मिमी रोल ग्रूव्ड

65 मिमी क्यूआरटी पुरुष x 65 मिमी पुरुष बीएसपी

65 मिमी बीआई x 80 मिमी रोल ग्रूव्ड

65 मिमी क्यूआरटी पुरुष x 80 मिमी रोल ग्रूव्ड

65 मिमी स्टॉर्ज़ एडाप्टर x 65 मिमी पुरुष बीएसपी

चाहे आप किसी मौजूदा सिस्टम को अपग्रेड कर रहे हों या किसी नए प्रोजेक्ट के लिए निर्दिष्ट कर रहे हों, JOEPAI के नए SS304 हाइड्रेंट वाल्व प्रदान करते हैंप्रदर्शन, अनुपालन और सामर्थ्य का सही संतुलन.

आज ही हमसे संपर्क करेंअधिक जानने या उद्धरण का अनुरोध करने के लिए।

सम्बंधित खबर
मुझे संदेश दे देना
X
हम आपको बेहतर ब्राउज़िंग अनुभव प्रदान करने, साइट ट्रैफ़िक का विश्लेषण करने और सामग्री को वैयक्तिकृत करने के लिए कुकीज़ का उपयोग करते हैं। इस साइट का उपयोग करके, आप कुकीज़ के हमारे उपयोग से सहमत हैं। गोपनीयता नीति
अस्वीकार करना स्वीकार करना